
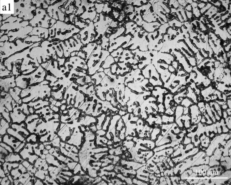
Im vorliegenden Beitrag wurden durch ein traditionelles Gießverfahren sechs Proben aus hypoeutektischen Al-3Si-0.45Mg-0.45Cu-0.2Sc-0.2Zr-Gusslegierungen hergestellt. Die Veränderungen von Mikrostruktur und mechanischen Eigenschaften der Legierungen bei unterschiedlichen Sr-Konzentrationen wurden mit Hilfe von metallographischen Beobachtungen, Zugfestigkeitstests und REM-Analyse untersucht. Die Ergebnisse zeigen, dass es bei steigendem Sr-Gehalt zu erheblichen Veränderungen der Kornmorphologie kommt – von Dendriten zu isometrischen Körnern – und sich die Si-Phase in der eutektischen Region stark verändert und ihre Korngrößen abnehmen. Durch Modifizierung beeinträchtigen die Proben mit hohem Sr-Gehalt die allgemeine mechanische Leistung. Die beste Morphologie hinsichtlich Korngröße und Siliziumphase tritt bei Proben mit Konzentrationen von 0,06 % und 0,08 % Sr auf. Die mechanischen Eigenschaften der Legierung wurden maximiert und nahmen dann mit steigender Sr-Konzentration ab. Die Ergebnisse der Zugfestigkeitstests deuten darauf hin, dass die Legierung mit einem Gehalt von 0,08 % Sr die besten mechanischen Eigenschaften zeigt. Dies wird durch die optimalen morphologischen Parameter belegt.
Z. Sheng, X. Du, Y. Li, Y. Zhang, Z. Zhang, Y. Wu, and H. Su (2017). The Microstructure and Properties of Sr-Modified Al-3Si-0.45Mg-0.45Cu-0.2Sc-0.2Zr Cast Alloy. Practical Metallography: Vol. 54, No. 7, pp. 448-468. © Carl Hanser Verlag GmbH & Co. KG ISSN 0032-678X
© 2026