
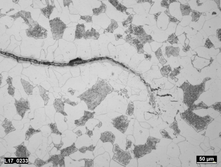
In dieser Arbeit werden die Einsatzgebiete der ambulanten Metallographie in der technischen Praxis anhand zahlreicher Beispiele präsentiert. Dieses nahezu zerstörungsfreie Prüfverfahren (zfP) dient vor allem der Qualitätssicherung von Komponenten in der betrieblichen Anwendung und beinhaltet neben der Gefügeabdrucknahme, die mobile Härteprüfung sowie die Analysemöglichkeiten zur Ermittlung der chemischen Zusammensetzung von Werkstoffen. Die Gefügeabdrücke werden hierbei zu unterschiedlichen Zwecken entnommen. Zum einen lassen sich damit die Nullaufnahme des Gefüges und die Beurteilung des Gefügezustandes zur Kontrolle der Herstellungsqualität mit Rückschluss auf die geforderten Eigenschaften dokumentieren. Zum anderen kann mit dieser Methode die Bewertung von Fehlern (Ausbildung von Rissen, Ausführung von Schweißungen, korrekte Wärmebehandlung, Zeitstandschädigung…) durchgeführt werden. Anhand von unterschiedlichen Untersuchungsfällen werden die Ergebnisse zu niedrig- und hochlegierten ferritischen sowie austenitischen Stählen, zu Nickellegierungen als auch zur Möglichkeit der anschließenden Bestimmung von Ausscheidungspopulationen im Transmissionselektronenmikroskop (TEM) dargestellt.
Speicher, M. and Scheck, R.. "“Metallography to go”: Mobile metallographic examinations directly on components" Practical Metallography, vol. 59, no. 8-9, 2022, pp. 532-544. https://doi.org/10.1515/pm-2022-0054 © 2022 Walter de Gruyter GmbH, Berlin/Boston, Germany
© 2026