PetziDat

Fe-Basis
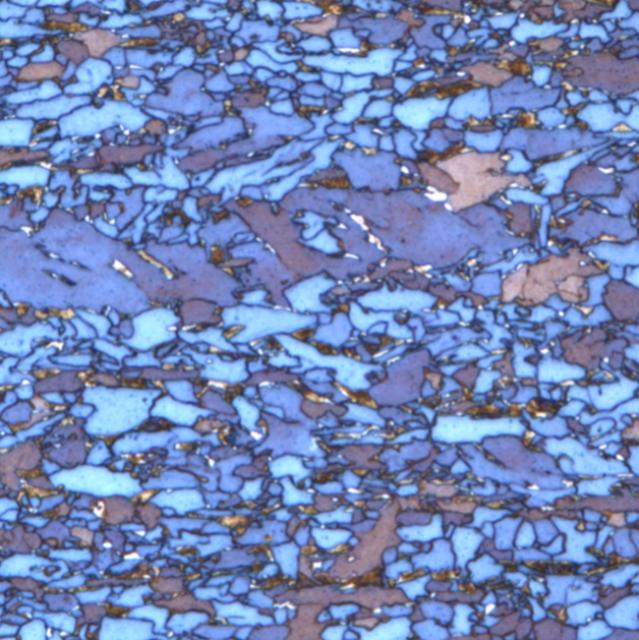
Mikroätzung
Geschliffen und Poliert nach für Werkstoffgruppe üblichem Präparationsrezept
50 ml 4,6%ige Pikrinsäure (getrocknet)
50 ml 1%ige wässrige Natriummetabisulfit
Die Probe ist nach Zugabe in die Ätzlösung zu bewegen, um einen homogenen Ätzangriff zu erhalten. Der Ätzstopp erfolgt in Ethanol und anschließender Trocknung mittels Druckluft. Für eine reproduzierbare Ätzung nach LePera an niedriglegierten, niedrigkohligen Stahlproben ist es notwendig die verwendeten Ätzmittel mittels Argon zu entgasen und die Ätzung unter Argonatmosphäre durchzuführen. Zudem bietet es sich an die Ätzung bei niedrigen Temperaturen (5 °C) durchzuführen, um die Reproduzierbarkeit zu gewährleisten.
© 2025