Laura Ulrich & Martin Müller

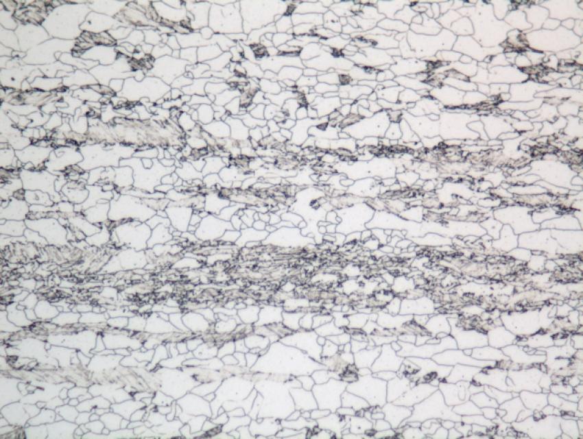
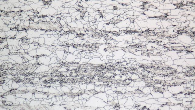
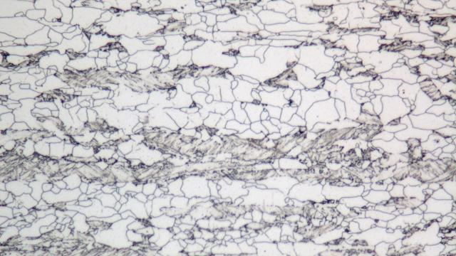
Dualphasenstahl: ferritische Matrix und eine bainitische Zweitphase (< 0,2%)
niedriger Kohlenstoffgehalt
Warmgewalzt
Fe-Basis
Mikroätzung
Geschliffen und Poliert nach für Werkstoffgruppe üblichem Präparationsrezept
Lösung A:
100 ml destilliertes Wasser
5 ml konzentrierter Schwefelsäure
8 g Oxalsaure;
Lösung B:
100 ml 30 %-iger Wasserstoffperoxidlosung
Wie das Standardrezept, nur dass nicht gleiche Anteile an Lösung A und B verwendet wurden, sondern 50mL Lösung A und 60mL Lösung B. Dadurch hat sich die Ätzreaktion verlangsamt und wir hatten dann nach 40-50s denselben Kontrast wie sonst nach 3-5s. Das hat die Ätzung dann deutlich besser kontrollierbar gemacht



© 2026